欢迎光临飞马通风设备(深圳)有限公司网站,咨询热线:15622824160

产品展示

线槽型散流器

线槽型散流器
SDS优点是大风量送风、射程远、噪音小等优点,同时其颈尺寸可根据送风要求做适当宽度调整,开洞及安装比较灵活。特别适用于对阻力损失要求比较小的送风系统中,如风机盘管系统等。


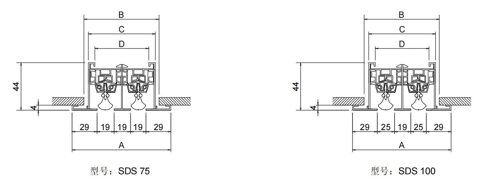
产品简图

飞马通风设备(深圳)有限公司

电话:15622824160

联系人:贺雅倩

地址:深圳市宝安区西乡街道金海路路12号汇潮科技大厦2001


服务热线: 15622824160