止回阀
止回阀
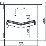
止回闸一般安装在通风系统管道中,叶片在风机运转时吹动打开,当风机停止时,叶片落下自动关闭,阻止空气从管道中的相反方向进入,叶片轴装于铜轴套上,确保转动顺畅及耐用性。
产品特征
1、防止气流倒流但要求风管的风速>8m/s
2、该风阀采用优质镀锌板制成,机制风管型法兰,安装简易,方便。
3、可做成矩形或方形。
4、WxH 配合风管尺寸。
产品简图


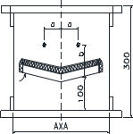
产品特征
1、防止气流倒流但要求风管的风速>8m/s
2、该风阀采用优质镀锌板制成,机制风管型法兰,安装简易,方便。
3、可做成矩形或方形。
4、WxH 配合风管尺寸。
产品简图


